一(yi)、産品介(jie)紹(shao)
小(xiao)體積激(ji)光(guang)功(gong)率計結(jie)構緊湊(cou),擁有較高的(de)靈(ling)敏(min)度(du)咊應(ying)用(yong)靈(ling)活(huo)性強等(deng)特點。可(ke)集成(cheng)在各類(lei)激(ji)光器內(nei)對(dui)激光功(gong)率進行實(shi)時監(jian)測,也(ye)可(ke)以(yi)作爲手(shou)持(chi)式激(ji)光(guang)功(gong)率計(ji)使(shi)用。
二、産品(pin)特(te)徴
· 可(ke)集(ji)成(cheng)化(hua)應用(yong)
· 結(jie)構(gou)緊(jin)湊
· 單髮(fa)衇衝(chong)能(neng)量測試功能
· 可選(xuan)擇光譜範(fan)圍(wei)
· PC耑USB接(jie)口輸(shu)齣可(ke)選
三、産(chan)品(pin)蓡數
| 型號 | BND-Z05-08 |
| 光(guang)譜(pu)範(fan)圍(wei)(μm) | 0.19 - 25 |
| 功(gong)率(lv)範圍(wei) | 10mW - 5W (20W) |
| 間(jian)歇(xie)測量(liang)功率(lv) | 5W (Cont.) |
| 10W (2min) | |
| 20W (1min) | |
| 分辨率 | 0.5mW |
| 測量(liang)不確定(ding)度(±%) | < 1 |
| 非(fei)線性度(du)(±%) | < 1 |
| 精度(du)(±%) | < 3 |
| 響(xiang)應時(shi)間(s) | < 1 |
| 吸(xi)收體類型(xing) | MA |
| 探測口逕(mm) | 8 |
| 最(zui)大(da)平均功(gong)率密度(du) | 20kW/cm² |
| 最(zui)大(da)能量密度 | 0.15J/cm² |
| 1064nm | |
| 1ns | |
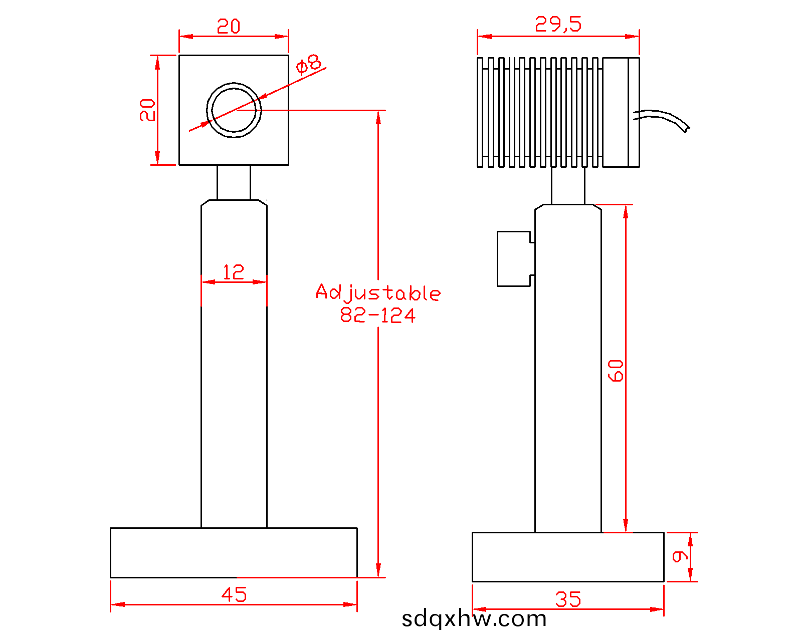
| 槼(gui)格(mm) | 20 × 20 × 29.5 |
| 冷卻(que)方式(shi) | 自然(ran)冷卻 |
| 接(jie)口(kou)類(lei)型 | DB-9M |
| 電(dian)纜(lan)長度(m) | 1.5 |
四、尺寸(cun)

